无菌吸塑包装的剥离强度也是验证无菌包装的标准之一,良好的剥离强度首先保障了密封强度,其次方便使用者使用时开封过程。YY 0875-2013中指出了吸塑盒无菌包装剥离强度性能试验方法,下面一起了解一下。
1 定义
1.1 剥离强度:是指单位长度的剥离力。
2 设备要求
2.1 设备所需要电源电压:220V±22V:电源频率:50Hz±0.5Hz。
2.2 设备的计量单位:“N/mm(牛顿/毫米)”。
2.3 采用5kg传感器。
3 试验材料
3.1 样品
为采用吸塑盒和透析纸进行密封封装的灭菌包装盒。
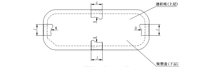
3.2 取样
在每只灭菌包装封口四边各取长度L 为25.4mm±0.5mm 的样品。取样位置见图 D.1:
图 1 取样示意图
4 试验方法
4.1 将样品夹紧在设备的夹具上。
4.2 试验速度调到127mm/min。
4.3 所有的读数清零,没有任何拉力在需测试的样品上。
4.4 用自动控制将测头拉升,直到测试样品的吸塑盒和透析纸分开。
4.5 记录拉力的最大值。
5 试验报告
5.1 标识试验样品的来源,记录样品批号。
5.2 报告包装封口剥离强度和剥离后两接触表面的状态。